Descripción
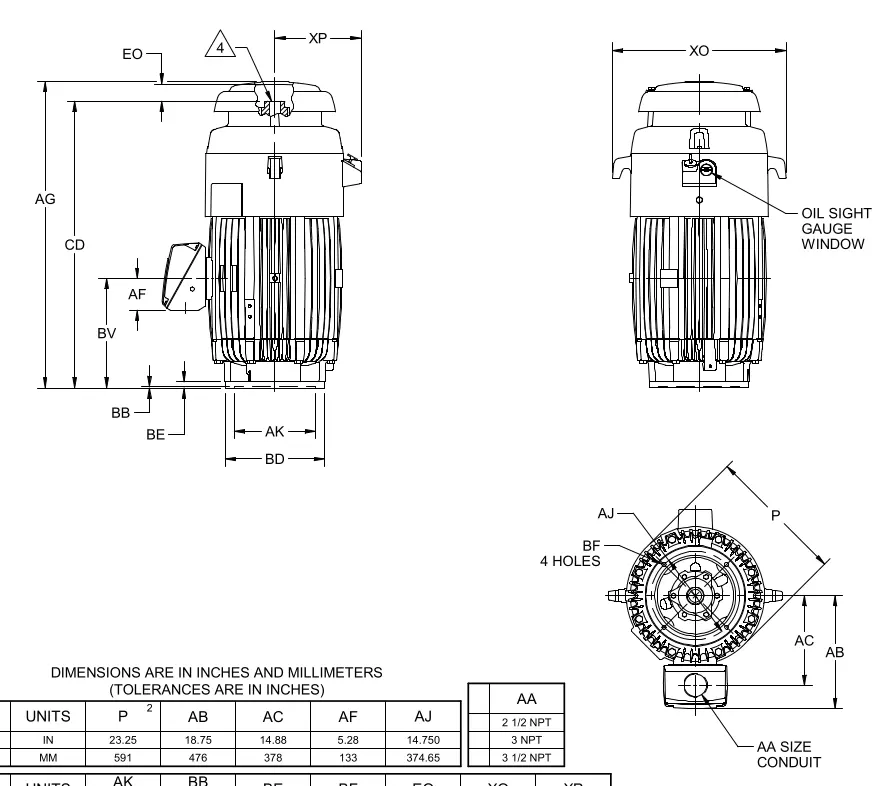
US MOTORS Titan VHS TEFC para bomba centrífuga vertical con configuración de empuje para operación crítica. En MCB te ayudamos a especificar el motor correcto (base, acoplamiento, empuje y condiciones de operación).
Ventajas clave
- Eficiencia premium (95.8% NEMA nominal).
- Inverter Duty (NEMA MG1 Part 31) · VT · 10:1.
- NRR (Non-Reverse Ratchet).
Especificaciones (submittal)
| Catálogo | CHT150V2CLG |
|---|---|
| Modelo | FU38 |
| Aplicación | Vertical Centrifugal Pump |
| Potencia | 150 HP (111.9 kW) |
| Tensión / Frecuencia / Fases | 460 V · 60 Hz · 3F |
| Polos / Velocidad | 4 polos · 1790 RPM (F.L.) |
| Enclosure | TEFC |
| Frame | 447TP |
| Factor de servicio | 1.15 |
| Eficiencia | 95.8% NEMA nominal (95.0% garantizada) |
| Corriente FLA | 170.0 A |
| SF Amps | 196.0 A |
| Clase de aislamiento | Clase H |
| Arranque | DOL (Direct-On-Line) |
| Base / Acoplamiento | 16.5″ base · 1-1/2″ bore · 3/8″ key |
| Down Thrust | 9300 lb |
| Peso estimado | 2300 lb |
Para cotizar con MCB: comparte CHT150V2CLG y datos de empuje/montaje. Cotizar con MCB.





Valoraciones
No hay valoraciones aún.